हाइड्रोलिक मोहर गाईवस्तु तत्व, हाम्रो अन्य जलविद्युत सील उत्पादनहरू जस्तै विशिष्ट उपचारा मोडेलहरू छन्। Rickhen सिलहरूले सँधै उत्पादन विकास र गुणस्तर नियन्त्रण कायम राखेका छन्। प्रत्येक मोडेलमा फरक डिजाइन र उत्पादन विशेषताहरू छन्, र यसको आफ्नै लक्षित कार्य सर्तहरू र अनुप्रयोगहरू छन्।
RC1081 लाई सुदृढीकरण गरिएको पोलिटेटेराशिक्षलयको पेटी बेल्टमा ब्रोज़को पाउडर र PTFE सामग्रीको लागि अन्य सामग्रीहरू थपिएको कारण उच्च लोड, कम लगाउने, कम लगाउने, कम वेयर, कम वेयर, कम वेयर, कम वेयर, कम वेयर, कम वेयर, ptfe। RC1082 कपडा-कपडा- फेनोलोलिक गाईड बेल्टले PTFOL कपडा बेल्टको प्रयोगको कारणले PTFEL कपडा बेल्टको प्रयोगको कारण ptfe मार्गनिर्देशन बेल्ट भन्दा उच्च रेडियल लोड क्षमता गर्दछ। दुबै मार्गनिर्देशन बेल्टहरू रोलहरूमा प्रदान गरिन्छ, जुन सजिलैसँग स्थापनाका लागि कटौती गर्न सकिन्छ र स्लाइडिंग सतहमा धातु सम्पर्क नहोस्।
समर्थन औंठी हाइड्रोलिक सिलिन्डरको एक महत्त्वपूर्ण आधारभूत कम्पोनेन्ट हो। स्लाइडि ing स्लाइडिंग रिंगको विकासमा अनुकूलनको विकासमा विश्वमा नरम असर धावकहरूको विकासमा, हाम्रो कम्पनीले सफलतापूर्वक कपडाले बटुलेको फेनोलोलिक समर्थन रिंगहरू (बेल्टहरू प्रदान गरेको छ। वास्तविक प्रयोगको वर्षौंले देखाएको छ कि यो उत्पादनले समान विदेशी उत्पादनको गुणस्तर स्तरमा पुगेको छ र सार्वजनिक प्रशंसा गरिएको छ। समर्थन रिंगको प्रदर्शन तालिका (हाम्रो कम्पनीले उत्पादित गर्दछ) हाम्रो कम्पनी द्वारा उत्पादनको रूपमा प्रयोग गर्न सकिन्छ। पास्टन र प्यास्टन हाइड्रोलिक सिलिन्डरको पेस्टन र प्यास्टन रडले एक समर्थन र मार्गनिर्देशन भूमिका खेल्छ।
Piston rod Rst rct Rst Retallic फोल्डल गाइडल गाइड रिंगको लागि rcs गैर-मेटल गाइड औंठी
प्यास्टन वा पिस्टन रडका लागि हाइड्रोलिक सिलिन्डरमा चलिरहेको छ, स्लेट लगाएको रिंगको सटीक तैपनिंग प्रभावकारी छ र रेडियल शक्तिहरू अवशोषित गर्न सकिन्छ। एकै समयमा, पोशाक रिंगले हाइड्रोलिक सिलिन्डरमा स्लाइडिंग भागहरूको धातु सम्पर्क रोक्न सक्छ। धातु लगाउनको तुलनामा गैर-मेटल लगाउने रियन्ससँग धेरै फाइदाहरू छन्। ती मध्ये कपडा-प्रबलित फेनोलोलिक र ptfe गाइड रिंगहरू अन-साइट साइट काट्ने र तयार-देखि-प्रयोग गरिएका प्रकारहरूमा उपलब्ध छन्।
1। राम्रो पोशाक प्रतिरोध
2 धातु सम्पर्क हटाउनुहोस्
।। मेकानिकल कम्पन दबाउन सक्छ
।। लहर्ड रिंगको केन्द्रको केन्द्रबिन्दुको कारणले, ठूलो रेडियल खाली गरिएको छ
। सरल ग्रुव र स्थापना गर्न सजिलो
माथिका फाइदाहरूको आधारमा कम मर्मत लागत, यो व्यापक रूपमा प्रयोग गरिन्छ
गाईड गाईड
GFAI सँग पिस्टन रडको लागि आएका गाईडहरू हो, जसले पिस्टन रडलाई समर्थन गर्दछ र मार्गदर्शन गर्दछ र केवल डस्टप्रोफरोज कार्य पनि गर्दछ। गाईडहरूले बाहुलाहरू पेस्टन रडका लागि गाईडहरू गाईडहरू हुन्, जसले पिस्टन रडलाई समर्थन गर्दछ र मार्गदर्शन गर्दछ।
RCSF-1 गाइड रिंग्सलाई आधारको रूपमा प्लेल प्लेटले बनाएको हो, काँसाको पाउडर बीचको बीचमा राखिएको छ, र पोलिटेट्राफाल्टिनलीनलीनलीनलीन र फाइबरको मिश्रण। सुविधाहरू: 1। PTFFE र फाइब फाइबर्ग 0.01-0.0.03mm हो, दोहोरो सतह बचाउनको लागि स्थानान्तरण फिल्म गठन गर्दछ र स्वयं-लोभीडिंग गुणहरू छन्; 2 कपर पाउडरर तह 0.2-0..3 मिमी छ, राम्रो लोड लोभिंग क्षमताको साथ र प्रतिरोध र प्रतिरोध, राम्रो थर्मल संकुचित छ; । कम कार्बन स्टील, राम्रो लोड-असर क्षमता र थर्मल संकुचित प्रदान गर्दै।
आरसीएफबी प्रकार कानोगर गाइड रिंग Cusn8 काँसाको आधार सामग्रीको रूपमा बनेको छ र उच्च लोड-असर क्षमताको साथ आर्थिक बुशिंग हो। आरसीएफबी 09090 उत्पादनको कार्यशील सतह नियमित हीरा तेल प्वालहरू सहित कभर गरिएको छ, र RCFB0922 को कार्यको सतह नियमित तेल प्वालहरूसँग ढाकिएको छ, जसले तेल भण्डारणको भूमिका खेल्छ। आन्दोलनको सुरूमा तेल फिल्म बनाउन सजिलो छ, यसैले प्रारम्भिक घर्षण प्रतिरोध कम गर्न।
उत्पाद सुविधाहरू र अनुप्रयोगहरू:
अर्डरिंग उदाहरण:
PTFE गाइड टेप अर्डिंग उदाहरण RC1081-9.7x2.5
Phenolic कपडा गाइड टेप अर्डिंग उदाहरण RC1082-9.7x2.5
लम्बाई गणना काट्दै
शाफ्टको लागि: l = 31.1 (d + W) होलका लागि: l = 311 (D-W)
L --- रिंग लम्बाई d --- शाब्दिक dummer d - प्वाल व्यास W - RE RECTIVERS Z --- काट्नुहोस्
गाईड GEFI
1 प्रदर्शन र प्रयोग: गाईड GFAI पेस्टन रडका लागि गाईड गाइडर हो, जसले पिस्टन रडलाई समर्थन गर्दछ र मार्गदर्शन गर्दछ।
2 सामग्री: नाय्रान PA, Palyoxymeymeynylene Pom र poytterflothlynylyniey Ptfe।
। कार्य सर्तहरू: काम गर्ने तापमान: -35 225 ~ ~~ ~~ 225 ~ ~~ ~~ ~~ ~~ ~ ~~ ~ ~ 225 ° c (ptfe 120 ° 0 ° माथि प्रयोग गरिन्छ)।
। मानक डिजाइन गर्नुहोस्: जब डिजाईन र छनौट गर्दा, भोक कम्पनीको fi श्रृंखलालाई सन्दर्भ गर्नुहोस्।
।
गाईड GFI
1 प्रदर्शन र प्रयोग: गाईड GEEV GFI पिस्टन रडको लागि गाईड स्लीभ हो, जसले पिस्टन रडलाई समर्थन गर्दछ र मार्गदर्शन गर्दछ।
2 सामग्री: नाय्रान PA, Palyoxymeymeynylene Pom र poytterflothlynylyniey Ptfe।
। कार्य सर्तहरू: काम गर्ने तापमान: -555 ~ ~ 25 ~ ~ 25 ~ ~ 255 ~ ~ 255 ~ ~ 25 ~ ~ 250 डिग्री सेल्सियस माथि 120 डिग्री सेल्सियस माथि छ।
। मानक डिजाइन गर्नुहोस्: जब डिजाईन र छनौट गर्दा, भोकनको फाई श्रृंखलालाई जनाउनुहोस्।
।
गाईड GFA
1 प्रदर्शन र प्रयोग: गाईड गोलाकार GFA पिस्टनको लागि गाईड स्लीभ हो, जसले पिस्टनलाई समर्थन गर्दछ र मार्गदर्शन गर्दछ।
2 सामग्री: नाय्रान PA, Palyoxymeymeynylene Pom र poytterflothlynylyniey Ptfe।
। कार्य सर्तहरू: काम गर्ने तापमान: -555 ~ ~ 25 ~ ~ 25 ~ ~ 25 ~ ~ 25 ~ ~ ~ ~ ~ ~ ~ ~ ~ ~ ~ 20C 120C माथिको माथि छ)
। मानक डिजाईन गर्नुहोस्: जब डिजाईन र छनौट गर्दा, भोकनको एफ श्रृंखलालाई जनाउनुहोस्।
।
। संरचनात्मक उपकरण:
विशिष्ट:
| नमुना | भूल चौराथ H + 0.2 |
मोटाई T-0.05 |
मोटोपन टी T-0.05 |
मोटाई T-0.05 |
मोटाई T-0.05 |
मोटाई T-0.05 |
| RC1081 / 1082-42-4.2 | 4.2 | 1 | 1.55 | 2 | 2.5 | - |
| RC1081 / 1082--5 .6 .. | 5.6 | 1.55 | 2 | 2.5 | - | - |
| RC1081 / 1082-62-। | 6.3 | 1.55 | 2 | 2.5 | - | - |
| RC1081 / 1082-81.1 | 8.1 | 1.55 | 2 | 2.5 | - | - |
| RC1081 / 1082-9.7 | 9.7 | 2 | 2.5 | 3 | 3.5 | 4 |
| RC1081 / 108212-12.7 | 12.7 | 2 | 2.5 | 3 | 3.5 | 4 |
| RC1081 / 1082-12-1-15 | 15 | 2 | 2.5 | 3 | 3.5 | 4 |
| RC1081 / 1082-20 | 20 | 2 | 2.5 | 3 | 3.5 | 4 |
| RC1081 / 1082-25 | 25 | 2 | 2.5 | 3 | 3.5 | 4 |
| RC1081 / 1082-300 | 30 | 2 | 2.5 | 3 | 3.5 | 4 |
| RC1081 / 10822--35 | 35 | 2 | 2.5 | 3 | 3.5 | 4 |
| नोट: बोल्डस श्रृंखला सामान्यतया प्रयोग गरिएको श्रृंखलाहरू छन्। यदि आवश्यक उत्पादन यस टेबलमा छैन भने, कृपया हामीलाई सम्पर्क गर्नुहोस्। | ||||||
कपडा- प्रबलित phenolic समर्थन रिंग (बेल्ट)
समर्थन रिंगहरू हाइड्रोलिक सिलिन्डरको महत्त्वपूर्ण आधारभूत कम्पोनेन्टहरू हुन्। स्लाइडि ing स्लाइडिंग रिंगको विकासमा अनुकूलनको विकासमा विश्वमा नरम असर धावकहरूको विकासमा, हाम्रो कम्पनीले सफलतापूर्वक कपडाले बटुलेको फेनोलोलिक समर्थन रिंगहरू (बेल्टहरू प्रदान गरेको छ। वास्तविक प्रयोगको वर्षौंले देखाएको छ कि यो उत्पादनले समान विदेशी उत्पादनको गुणस्तर स्तरमा पुगेको छ र सार्वजनिक प्रशंसा गरिएको छ। तालिका 1 देखि 4 ले हाम्रो कम्पनी द्वारा उत्पादित रे ings ्गहरू (बेल्ट) को प्रदर्शन टेबलहरू हुन्।
| नमूना स्रोत | रिंग रिंग मोटाई (MM) | संकुचन शक्ति (MPPA) | तेल प्रतिरोधको वजन वजन परिवर्तन गरिएको हाइड्रोलिक तेल (70 ± 2 ℃ * 24h) | भत्किरहेको शक्ति (MPPA) | अन्तरिक्लेयर एडिशसन (डा। डा।) |
| फेशन + SAMBA | 2.48 | 338.9 | 2.83 | 35.6 | 1.2 |
| हाम्रो उत्पादनहरू | 2.48 | 425 | 0.90 | 37.0 | 2.9 |
| 2.4848 ((Grapite संग) | 390 | 0.63 | 36.4 | 2.08 |
| नमूना विविधता | हाम्रो उत्पादनहरू | Ourchot सक्नु भए ① | Destecc900 ① | टर्किंगेड 47 ② | MT64 / 5B | Nokwr (जापानी) | POM परिमार्जन गरियो Poyyoxymeythileneen | बिरालो (अमेरिका) | |
| मापन मान | आवश्यक सूचकहरू | ||||||||
| संकुचन शक्ति (MPPA) | ≥3 550 | ≥330 | ≥3 550 | ≥280 | ≥500 | ≥270 | ≥150 | ≥80 | ≥ 217 |
| नमूना विविधता | हाम्रो उत्पादनहरू | Ourchot सक्नु भए ① | Destecc900 ① | टर्किंगेड 47 ② | MT64 / 5B | Nokwr (जापानी) | POM परिमार्जन गरियो Poyyoxymeythileneen | बिरालो (अमेरिका) | |
| मापन मान | आवश्यक सूचकहरू | ||||||||
| संकुचन शक्ति (MPPA) | ≥3 550 | ≥330 | ≥3 550 | ≥280 | ≥500 | ≥270 | - | ≥80 | ≥ 217 |
| लोड प्रति इकाई सम्पर्क लम्बाई W (n / MM) | हेर्ट्ज सम्पर्क रिले (एन / MM2) | घर्षण गुणांक | |||
| सुख्खा घर्षण राज्य | तेल ड्रिप लुब्रीमन राज्य | ||||
| हाम्रो उत्पादनहरू | Orchot tlg | हाम्रो उत्पादनहरू | Orchot tlg | ||
| 5.9 | 22.0 | 0.054 | 0.066 | 0.057 | 0.079 |
| 29.0 | 48.7 | 0.052 | 0.067 | 0.056 | 0.081 |
| 44.4 | 60.3 | 0.045 | 0.071 | 0.055 | 0.088 |
| 59.8 | 69.8 | 0.021 | 0.073 | 0.053 | 0.087 |
| 75.2 | 78.3 | 0.020 | 0.075 | 0.052 | 0.085 |
| PTFE WET-प्रतिरोधी बेल्ट (रिंग) | |
| भौतिक | Ptfe + काँसा |
| बितरण | रोल (सामान्यतया 20 मिटर / रोल) वा आवश्यक लम्बाइमा काट्नुहोस् |
| फाइदा | 1 कम घर्षण, कुनै मिर्चीपिंग र काट्ने छैन; |
| 2 पर्याप्त लुगुनेस बिना राम्रो काम गर्न सक्छ; | |
| 3। विभिन्न प्रकारका मिडियाको प्रतिरोधात्मक, उत्कृष्ट रासायनिक स्थिरता; | |
| When। लग-प्रतिरोधी औठीमा एम्बेड गरिएको कडा वस्तुहरू समायोजित गर्न सक्दछ, सिलिन्डर र सिलहरू खम्बा घटाएर, भारी-लोड परिस्थितिहरूमा धेरै स्टेक-प्रतिरोधी घण्टीहरू प्रयोग गर्नुहोस्; | |
| । योसँग उच्च-गति र हल्का लोड परिस्थितिहरूमा राम्रो गति प्रतिरोध पनि छ, त्यसैले यो सब भन्दा व्यापक रूपमा प्रयोग गरिएको स्टेक-प्रतिरोधी औंठी हो; | |
| । कुनै आकार प्रतिबन्धहरू छैन, ठूला व्यायास स्थितिमा प्रयोग गर्न सकिन्छ। | |
| ताप | -60 ~ 0 ~ 200 ℃ |
| अधिकतम गति | 1mm मिटर / एस |
| अधिकतम बहिर्गोजन शक्ति | 1NN / MM2 (20 °) |
| 7.5n / MM2 (° 0 °) | |
| 5n / MM2 (120 °) | |
RCS पिस्टन रडका लागि गैर-मेटल गाइड रिंग
रिक्ट पिस्टनको लागि गैर-मेटलिक गाइड औंठी
प्यास्टन वा पिस्टन रडका लागि हाइड्रोलिक सिलिन्डरमा चलिरहेको छ, स्लेट लगाएको रिंगको सटीक तैपनिंग प्रभावकारी छ र रेडियल शक्तिहरू अवशोषित गर्न सकिन्छ। एकै समयमा, पोशाक रिंगले हाइड्रोलिक सिलिन्डरमा स्लाइडिंग भागहरूको धातु सम्पर्क रोक्न सक्छ। धातु लगाउनको तुलनामा गैर-मेटल लगाउने रियन्ससँग धेरै फाइदाहरू छन्। तिनीहरू मध्ये, कपडा प्रबलित फेनोलोलिक र ptfe गाइड रिंगहरू अन-साइट साइट काट्ने प्रकार र तयार-प्रयोग प्रकारका छन्।
1। राम्रो पोशाक प्रतिरोध
2 धातु-देखि-मेटल सम्पर्कता वेवास्ता गर्नुहोस्
।। मेकानिकल कम्पन दबाउन सक्छ
।
.. सरल ग्रूभ, स्थापना गर्न सजिलो
Only माथिका फाइदाहरूको आधारमा कम रखरखाव लागत, यो व्यापक रूपमा प्रयोग गरिन्छ
सामग्रीहरू:
1 POLYTTETRFLUONELITIONELINY PTFE3 (सामान्य सामग्री), PTFE4 (कम बेफेस्टियता मिडिया जस्तै पानी जस्तै, PTFE1 (कम-घर्षण आवश्यकताहरू)
2 polyxymeythylyneline Pom वा नायलन pom र यसको परिमार्जन गरिएको सामग्री
। Formaldehydde रेन + + प्रबल फाइबर priff
तुलनात्मक बिलियनको क्षमता को तुलनात्मक क्षमताको तालिका (सन्दर्भ)
| सामग्री | लोड क्षमता अधिकतम (N / MM2) |
| PTFFE-पूर्ण तापा पाउडर | 1 ((20 डिग्री सेल्सियस); .5..5 (° 0 डिग्री सेल्सियस); ((120 डिग्री सेल्सियस) |
| कपडाको साथ phenolic | 0 ((0 डिग्री सेल्सियस); (0 (° 0 डिग्री सेल्सियस) |
| Poyyoxymeyneynelen वा नायलन | 2 ((° 0 डिग्री सेल्सियस); 1 ((° 0 डिग्री सेल्सियस) |
| Poyyoxymentlineine वा नायलन भरियो | 0 ((0 डिग्री सेल्सियस); 0 ((° 0 डिग्री सेल्सियस) |
| चिल्लो | Itmax (μm) | RA (μm) |
| स्लाइडिंग सतह | ≤2.5 | 0.05-0.3 |
| ग्रूभ तन | ≤10 | ≤2 |
| ग्रूमा | ≤≤5 | ≤≤ |
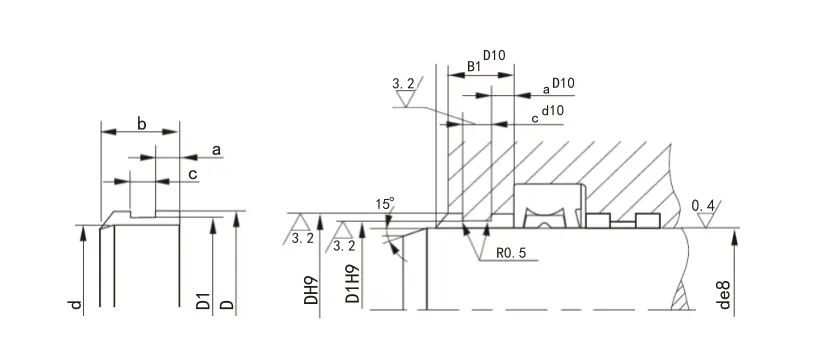
पिस्टन रड गाईड रिंग विशिष्टता श्रृंखला
| रड व्यास | तल्लो व्यास | भूल चौराथ | मोटाई | अन्तराल |
|
रड व्यास | तल्लो व्यास | भूल चौराथ | मोटाई | अन्तराल |
| d f8 / H9 | D h8 | L+0.2 | W | Z | d f8 / H9 | D h8 | L+0.2 | W | Z | |
| 8-20 | d +.1 | 2.5 | 1.55 | 1-2 | 200-99999.9 | d + 5 | 25 | 2.5 | -3 --- | |
| 10-500 | d +.1 | 4 | 1.55 | 1- 1-3 | 1000-4200 | d + 5 | 25 | 2.5 | 311-1-13444 | |
| 1-14-1400 | d + 5 | 5.6 | 2.5 | 2--5 | 200-99999999.9 | d + 8 | 25 | 4 | 10--33 | |
| 20-220 | d + 5 | 9.7 | 2.5 | 2-9 | 1000-2200 | d + 8 | 25 | 4 | -3-700 | |
| -0-400 | d + 5 | 15 | 2.5 | --1-15 |
|
|
|
|
|
| आरसीएसएफ-1 स्व-लोब्रिटी गाइड गाइड प्यारामिटरहरू | |||||||
| प्यारामिमरहरू | RCSF-1 | RCSF-1D | Rcsf-1b | Rcsf-1s | |||
| अगुवा-मुक्त बुशिंग्स | हाइड्रोलिक विशेष आस्तीन | कांस्य आधार बुशिंग | स्टेनलेस स्टील विकसँग प्रतिरोधी आस्तीन | ||||
![]() |
![]() |
![]() |
![]() |
||||
| अधिकतम असर दबाव (गतिशील) | 140N / MM² | 140N / MM² | 140N / MM² | 140N / MM² | |||
| अधिकतम असर दबाव (स्थिर) | 2N0N / MM² | 2N0N / MM² | 2N0N / MM² | 2N0N / MM² | |||
| OSCIlighing गति | 60N / MM² | 60N / MM² | 60N / MM² | 60N / MM² | |||
| अधिकतम स्लाइडिंग गति (तेल लुब्रिकेसन) | <2m / s | <2m / s | <2m / s | <2m / s | |||
| Keeftege drable μ | सुख्खा घर्षण | 0.04 ~ 0.2 | 0.04 ~ 0.18 | 0.03 ~ 0.18 | 0.04 ~ 0.2 | ||
| तेल लुब्रिटिसन | 0.02 ~ 0.08 | 0.02 ~ 0.08 | 0.02 ~ 0.08 | 0.02 ~ 0.08 | |||
| अधिकतम pv मान (सुख्खा) | 6.6n / MM².M / s | 8.8n / MM².M / s | 3.3n / MM².M / s | 6.6n / MM².M / s | |||
| अधिकतम PV मान (तेल) | 30n / MM².M / s | 30n / MM².M / s | 30n / MM².M / s | 30n / MM².M / s | |||
| अपरेटिंग तापमान | -195 ℃ ~ ~ ~ + 200 ℃ | -195 ℃ ~ ~ ~ + 200 ℃ | -195 ℃ ~ ~ ~ + 200 ℃ | -195 ℃ ~ ~ ~ + 200 ℃ | |||
| थर्मल संकुचितता | 42W / M.K | 42W / M.K | 42W / M.K | 42W / M.K | |||
| Livar विस्तार गुणांक | 11 * 10-6/ k | 11 * 10-6/ k | 1 * * 10-6/ k | 1 * * 10-6/ k | |||
| आरसीएफबी प्रकार ब्रोज गाइड गाइड प्यारामिटर तालिका | |||||||
| भुप्रमित | RCFB090 | RCFB092 | RCFB09GGG |
|
|||
![]() |
![]() |
![]() |
|
||||
| घनता | 9.9G / CM³ | 9.9G / CM³ | 9.9G / CM³ |
|
|||
| कम्प्रेभिंग बल | 470N / MM² | 470N / MM² | 470N / MM² |
|
|||
| थर्मल संकुचितता | 60w / m.k | 60w / m.k | 58W / M.k |
|
|||
| Livar विस्तार गुणांक | 1 .. * 10-6/ k | 1 .. * 10-6/ k | 1 .. * 10-6/ k |
|
|||
| कडा | 90 ~ 120hb | 90 ~ 120hb | 90 ~ 120hb |
|
|||
| विस्तारित | % 55% | % 55% | % 55% |
|
|||
| भौतिक नाम | Cusn8p | Cusn8p | Cusn8p |
|
|||
| अन्य वैकल्पिक सामग्रीहरू | Cusn6.5p | Cusn6.5p | Cusn6.5p |
|
|||



























ठेगाना
No.1 Ruichehen सडक, डो ongliuting औद्योगिक पार्क, चेंग ang जिल्ला, Qingdao शहर, शान्डंग्रिंग प्रदेश, चीन
टेलिफोन