हाम्रो आरसी श्रृंखलाहरु, पेशेवर डिजाइन र प्राविधिक उत्पादन को माध्यम बाट पिस्टन रडले पिस्टन रडले सिस्टन रड मोल स्लैर यात्रा गर्न को लागी चरम कार्य सर्तहरु बाट सही परिदृश्यहरु को लागी।
संरचनात्मक डिजाइन को मामला मा, आधारभूत मोडेलहरू स्थिरतामा केन्द्रित छन्, आरसीएसएस101 / 103 ले पूर्व स्ट्रोकको माध्यमबाट संचालित स्थिरता बढेको छ, विशेष गरी छोटो स्ट्रोकहरूको लागि। RCS102 / 104R / 117R अनुकूलन सामग्री र ग्रूवा अनुक्रमणिकामा उच्च दबाबहरू समर्थन गर्दछ (जस्तै RCS102 विपरीत उच्च-प्रेस परिदृश्य)। चन्नेनेत प्रणालीहरूको लागि, RCS105 / 205 205 डिजाइन्डर तेल फिल्म कायम गर्न र लुब्रिकेसन / गैर-स्क्रिप्टेड वातावरण अनुकूलन गर्दछ।
Rulhen Shals पनि सामग्री र कार्यात्मक नवीनता मा ध्यान केन्द्रित गर्दछ। MCS118 / 11 / / 124-12 Addally रसायनिक र खाद्य भरण उपकरणको प्रतिभाको रूपमा सरसफाई र ओ-रिंग प्रयोग गर्नुहोस्। RCS129 ले RCS101 को साथ छाप प्रणाली गठन गर्न सक्दछ, जुन मेशिनरी र भारी हाइड्रोलिक उपकरणहरूको लागि उपयुक्त छ; RCS126-122 Assmmetlic v-टुक्रा डिजाइन मार्फत RCS126-122 अनुकूल गर्दछ र फार्मास्युटिकल र रासायनिक उद्योगका लागि अनुकूलित छ।
जटिल कार्य सर्तहरूको लागि RCS120 / 1 138 र अन्य डबल-अभिनय सिलहरू एकीकृत समर्थन रिजाइन डिजाइन हो, जुन उच्च दबाव र विकृति प्रतिरोधात्मक छ र अनुकूल गर्दछ; RCS131 एक ओ-रिंग विकल्प हो, जुन दुवैले कथित र रासायनिक प्रतिरोधको प्रतिरोधी छ, र खाद्यान्न र फार्मास्यूटिकीय उद्योगको लागि रुचाइएको विकल्प भएको छ। र RCS116 / 216 डाउनटाइम लागतहरू कम गर्न fuctions को माध्यमबाट पुरानो सिलिन्डरहरू मर्मत गर्न सक्दछ।
आरसीएस श्रृंखलाले ग्राहकहरू उच्च दबाब, उच्च गति, संक्षिप्त रूपमा मिडिया र विशेष उद्योगको सामना गर्न मद्दत गर्दछ, र उपकरणलाई विश्वसनीयता र जीवन सुधार गर्दछ।
उत्पाद सुविधाहरू र अनुप्रयोगहरू:
पिस्टन रड सील सिल् ing ्ग सिलहरू हाइड्रोलिक सिलिन्डर र सिलिन्डर, ईन्जिनियर्स सवारी साधन, कृषि मेसिनरी, क्रेन र समुद्री जलविद्युत उपकरणहरू, मेशिन उपकरणहरू, मेशिन उपकरणहरू।
भारी औद्योगिक मेशिन, प्रेस, रासायनिक उद्योग, द्रुत तेल सिलिन्डरहरूमा प्रयोग गरिएको, मेशिनरी खाद्य उद्योग, फार्मास्युटिक उद्योग।
फाइदा
पिस्टन रड सील स्टिंग सिलहरू चर्को तापमान दायरा, उत्कृष्ट तापमान दायरा, उत्कृष्ट स्थिर र गतिशील छाप प्रदर्शनको साथ गतिशील सर्तहरू अन्तर्गत कडा अवशेष तेल रिकभरी क्षमता। कम घर्षण, कुनै मिर्च, हाईबिंग प्रतिरोध, कम स्थिर र घर्षण मान, केवल राम्रो एन्टिनेसन मान, राम्रो थ्रोल संचालित, र एक विस्तृत तापमान दायरा।
पुरानो पिस्टन रडहरूको लागि उपयुक्त, खुल्ला प्रकार सफाई स्थापना गर्न सजिलो।

RCS101
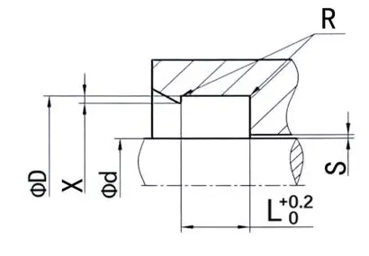
आदेश आकार
Φ ...... बाहिरी व्यास
...... भित्री व्यास
L ...... ग्रुव चौडाई
| सतह समाप्त | R tmax (μm) | RA (μm) |
| स्लाइडिंग सतह मिल्दो रबर / plyyreabhethene सिलहरू स्लाइडिंग सतह मिल्दो PTFE छापहरू | ≤2.5 ≤2 | ≤0.1-0.5 ≤ 0.05-0.3 |
| ग्रूभ तन ग्रूमा | ≤≤ ..3 ≤≤5 | ≤1.6 ≤≤ |
| TP प्रोफाइल समर्थन लम्बाई अनुपात | % 0% -95 %%% |
|
| उदारता | |
| --D | ए F8 |
| --D | हे 10 |
अर्डरिंग उदाहरण
मोडेल: RCSS101
गराईभ आकार: 100x1115x10
सामग्री: RC-PR-H

सील प्रकार: RCS101, RCS102, RCS103, RCS104, RCS106, RCS106, RCS107, RCS108, RCS108, RCS108, RCS108
मुख्य अनुप्रयोग: हाइड्रोलिक र धनुमेटिक सिलिन्डरको लागि उपयुक्त
फाइदाहरू: स्थिर तापमान दायरा, फराकिलो तापमान दायरा, उत्कृष्ट स्थिर र गतिशील छाप प्रदर्शनमा, गतिशील सर्तहरूको अन्तर्गत कडा अवशेष तेल निकाल्ने क्षमता, कडा अवशेष तेल निकाल्ने क्षमता।
सामग्री: Polyureahneene, रबर
| सील ग्रूभ उदाहरणहरू | निम्नलिखित मानक ग्रोभ आयाम (आकार दायरा भित्र कुनै आकारको धुलो सिलहरू उत्पादन गर्न सकिन्छ) उत्पादन गर्न सकिन्छ) | ||||||||
![]() |
![]() |
--D | --D | L | c / s | अधिकतम नक्कली खाली | |||
| 100 चालको 100 | 250 चोटि | 400 चार्ट | |||||||
| -2 -23 .9 | Φ + 8 | 6.3 | 4 | 0.50 | 0.35 | 0.25 | |||
| 2--499.9 | Φ + 10 | 8 | 5 | 0.50 | 0.35 | 0.25 | |||
| -11-1-149.9 | Φ + + 1 | 10 | 7.5 | 0.50 | 0.35 | 0.25 | |||
| 1 1500-229.9 | Φ + 20 | 14 | 10 | 0.50 | 0.35 | 0.25 | |||
| 300-49999.9 | Φ 2 25 | 17 | 12.5 | 0.50 | 0.35 | 0.25 | |||
| 500-69999.9 | Φ + 30 | 25 | 15 | 0.50 | 0.35 | 0.25 | |||
| > 0000 | Φ + 40 | 32 | 20 | 0.60 | 0.40 | 0.30 | |||
| > 1000 | Φ + 50 | 40 | 25 | 0.70 | 0.50 | 0.40 | |||

RCS109
आदेश आकार
Φ ...... बाहिरी व्यास
...... भित्री व्यास
L ...... ग्रुव चौडाई
|
सतह समाप्त |
R tmax (μm) |
RA (μm) |
|
स्लाइडिंग सतह मिल्दो रबर / plyyreabhethene सिलहरू स्लाइडिंग सतह मिल्दो PTFE छापहरू |
≤2.5
≤2 |
≤0.1-0.5
≤ 0.05-0.3 |
|
ग्रूभ तन ग्रूमा |
≤≤ ..3 ≤≤5 |
≤1.6 ≤≤ |
|
TP प्रोफाइल समर्थन लम्बाई अनुपात |
% 0% -95 %%% |
|
|
उदारता |
|
|
--D |
ए F8 |
|
--D |
हे 10 |
अर्डरिंग उदाहरण
मोडेल: RCSS109
गराईभ साइज: 100x115.16.3
सामग्री: PTFE3 + NBR

सील प्रकार: RCSS109
मुख्य अनुप्रयोग: कृषि मेसिनरी, क्रेन, समुद्री जलविद्युतको उपकरण, मेशिन उपकरणहरू, मेशिन उपकरणहरू।
फाइदाहरू: कम घर्षण, कुनै क्रीप, उच्च पोशाक, केवल राम्रो एन्टिओलेसन प्रदर्शन, राम्रो थारौल संकुचित, फराकिलो तापक्रम दायरा।
सामग्री: Tetraflunloothiene, नाइट्रिल रबर वा फ्लोरिन रबर
|
सील ग्रूभ उदाहरणहरू |
निम्नलिखित मानक ग्रोभ आयाम (आकार दायरा भित्र कुनै आकारको धुलो सिलहरू उत्पादन गर्न सकिन्छ) उत्पादन गर्न सकिन्छ) |
||||||||
|
|
|
--D |
--D |
L |
c / s |
अधिकतम नक्कली खाली |
|||
|
100 चालको 100 |
200 |
400 चार्ट |
|||||||
|
--7.9.9 |
Φ + 9.9 |
2.2 |
2.45 |
0.30 |
0.20 |
0.15 |
|||
|
-18-1-18.9 |
Φ + + .3। |
3.2 |
3.64 |
0.40 |
0.25 |
0.15 |
|||
|
19337 .. |
Φd + 10.7 |
4.2 |
5.35 |
0.40 |
0.25 |
0.20 |
|||
|
-1 38-1999.9 |
+1.1 |
6.3 |
7.55 |
0.50 |
0.30 |
0.20 |
|||
|
200-25555 .. |
Φ + 20..5 |
8.1 |
10.25 |
0.60 |
0.35 |
0.25 |
|||
|
266-6499.9 .. |
Φ 2 24 |
8.1 |
12 |
0.60 |
0.35 |
0.25 |
|||
|
60500-1000 |
Φ 2 27..3 |
9.5 |
13.65 |
0.70 |
0.50 |
0.30 |
|||
|
> 1000 |
Φ 38 |
13.8 |
19 |
1.00 |
0.70 |
0.50 |
|||

RCS110-112
आदेश आकार
Φ ...... बाहिरी व्यास
...... भित्री व्यास
L ...... ग्रुव चौडाई
|
सतह समाप्त |
R tmax (μm) |
RA (μm) |
|
स्लाइडिंग सतह मिल्दो रबर / plyyreabhethene सिलहरू स्लाइडिंग सतह मिल्दो PTFE छापहरू |
≤2.5
≤2 |
≤0.1-0.5
≤ 0.05-0.3 |
|
ग्रूभ तन ग्रूमा |
≤≤ ..3 ≤≤5 |
≤1.6 ≤≤ |
|
TP प्रोफाइल समर्थन लम्बाई अनुपात |
% 0% -95 %%% |
|
|
उदारता |
|
|
--D |
ए F8 |
|
--D |
हे 10 |
अर्डरिंग उदाहरण
मोडेल: RCS110-112
गराईभ आकार: 100x120x32
सामग्री: RC-P-H + Pom

मोहर प्रकार: RCS110-112, RCS126-1228
मुख्य अनुप्रयोग: भारी औद्योगिक मेसिनरी को लागी, प्रेस
लाभहरू: पुरानो पिस्टन रडहरूको लागि उपयुक्त, खोरमा छनौट गर्न खुला प्रकार सजिलो
सामग्री: Polyureathane, plyoxyymeylyliene, नायलन
|
सील ग्रूभ उदाहरणहरू |
निम्नलिखित मानक ग्रोभ आयाम (आकार दायरा भित्र कुनै आकारको धुलो सिलहरू उत्पादन गर्न सकिन्छ) उत्पादन गर्न सकिन्छ) |
|||||
|
|
|
--D |
--D |
L |
c / s |
|
|
10--39.9 |
Φ + 10 |
16 |
5 |
|||
|
-0-7474.9 |
Φ + + 1 |
25 |
7.5 |
|||
|
75 75-1-149.9 |
Φ + 20 |
32 |
10 |
|||
|
1 1500-1-199.9 |
Φ 2 25 |
40 |
12.5 |
|||
|
200-29999.9 |
Φ + 30 |
50 |
15 |
|||
|
300-59999.9 |
Φ + 40 |
63 |
20 |
|||
|
> 600 |
Φ + 40 |
80 |
20 |
|||
|
> 1000 |
Φ + 50 |
100 |
25 |
|||

Rcs119
आदेश आकार
Φ ...... बाहिरी व्यास
...... भित्री व्यास
L ...... ग्रुव चौडाई
|
सतह समाप्त |
R tmax (μm) |
RA (μm) |
|
स्लाइडिंग सतह मिल्दो रबर / plyyreabhethene सिलहरू स्लाइडिंग सतह मिल्दो PTFE छापहरू |
≤2.5
≤2 |
≤0.1-0.5
≤ 0.05-0.3 |
|
ग्रूभ तन ग्रूमा |
≤≤ ..3 ≤≤5 |
≤1.6 ≤≤ |
|
TP प्रोफाइल समर्थन लम्बाई अनुपात |
% 0% -95 %%% |
|
|
उदारता |
|
|
--D |
ए F8 |
|
--D |
हे 10 |
अर्डरिंग उदाहरण
मोडेल: RCSS119
GOROVE साइज: 100x109.4x7.1
सामग्री: PTFE2 + NBR

मोहर प्रकार: RCSS119
मुख्य अनुप्रयोग: रासायनिक उद्योग, द्रुत चक्र र मार्करीमा। खाद्य उद्योग, फार्मास्यूटिकल उद्योग।
फाइदाहरू: उच्च तापमान र विभिन्न रासायनिक मिडियाको प्रतिरोधात्मक, कम घर्षण गुणात्मक, कम स्थिर घर्षण विशेषताहरू, कम सुख्खा घर्षण विशेषता, कम स्थिर र घर्षण मान।
सामग्री: ptfe + पातको वसन्त
|
सील ग्रूभ उदाहरणहरू |
निम्नलिखित मानक ग्रोभ आयाम (आकार दायरा भित्र कुनै आकारको धुलो सिलहरू उत्पादन गर्न सकिन्छ) उत्पादन गर्न सकिन्छ) |
|||||||||
|
|
|
--D |
--D |
L |
R |
X |
अधिकतम नक्कली खाली |
|||
|
100 चालको 100 |
200 |
400 चार्ट |
||||||||
|
10-1- .. |
d + 4.5 |
3.6 |
0.4 |
0.6 |
0.15 |
0.10 |
0.07 |
|||
|
20--39 ..9 |
d + 6.2 |
4.8 |
0.6 |
0.7 |
0.20 |
0.15 |
0.08 |
|||
|
40-119.9 |
d + 9.4 |
7.1 |
0.8 |
0.8 |
0.25 |
0.20 |
0.10 |
|||
|
120-1000 |
d + 12.2 |
9.5 |
0.8 |
0.9 |
0.30 |
0.25 |
0.12 |
|||
|
> 1000 |
d + 1 .0 |
15 |
0.8 |
0.9 |
0.50 |
0.40 |
0.20 |
|||



















































































ठेगाना
No.1 Ruichehen सडक, डो ongliuting औद्योगिक पार्क, चेंग ang जिल्ला, Qingdao शहर, शान्डंग्रिंग प्रदेश, चीन
टेलिफोन