हामी स्थिर सिल समाधानहरू मोडको पूर्ण दायरा प्रदान गर्दछौं, मानक सामान्य उद्देश्य र उच्च दबाव विशेष उत्पादनहरू कभर गर्दछौं। RCFL106 / 102 र rck126 साधारण मोडेलहरू साधारण संरचना र चौडाई अनुप्रयोगको साथ हुन्; RCS130 / 111 र RCFL108 ग्रुव इम्बेडिंगको स्थिरता सुनिश्चित गर्न बाहिरी बाहिरी व्याकरण स्थापना डिजाइन अपनाउनुहोस्; RCK120 / 127 र अन्य समान श्रृंखला उत्पादनहरूले बाहिरी भित्री व्यावस व्यास स्थापना मार्फत समान विश्वसनीयता प्राप्त गर्दछ।
FEWANE सिलिंग आवश्यकताहरूको जवाफमा RCF1110 र RCF11 र RCR118 र दुबै दिशामा दबाब दिन सक्छ, र दबाब दिशा क्रमबद्ध गर्दा संकेत गर्नुपर्दछ। उत्पादन लाइन पूर्ण प्रेस-दबाब कार्य सर्तमा कम दबावमा पूर्ण रूपमा कभर गर्दछ, र सामग्री लगाउने प्रतिरोधात्मक र विक्रेता प्रतिरोधी, पाइपलाइन जडानहरू र औद्योगिक उपकरणहरू छाप।
उत्पाद सुविधाहरू र अनुप्रयोगहरू:
अनुप्रयोग: सामान्य उद्देश्य, आईडी सील, OD मोहर, अक्षीय छाप
O-ing ing विशिष्टता र ग्रुव
आदेश आकार
Φd1 ...... भित्री व्यास
Φd2 ...... सेक्सन व्यास
अर्डरिंग उदाहरण
मोडेल: RCFL106
इननन व्यास सेक्सर व्यास: 14x1.8
सामग्री: NRBR
दरखास्त
भित्रबाट दबाव: ओ-रिंग बाहिर व्यासबाट संकुचित हुन्छ
बाहिरबाट दबाब: ओ-रिंग व्यासबाट संकुचित गरिएको छ
O-rings ले सहिष्णुता सही उत्पादन गर्दछ। अनुमतियोग्य सहिष्णुताहरू डाइब 577171 र ISO3601 / 1 (क्रस-सेक्शन व्यासलाई 77 6700 मिमीसम्ममा mm0 मिमीसम्ममा मानौं) मा मानकीकृत गरिएको छ। सम्बन्धित सहिष्णुता निम्न तालिकामा देखाइन्छ।
| खण्ड सहिष्णुता | ||||||||
| विभाग | 1.80 | 2.65 | 3.55 | 5.30 | 7.00 | 8.4 | 10.00 | 12.00 |
| उदारता | ± 0.08 | ± 0.0. | ± 0.10 | ± 0.13 | ± 0.15 | ± 0.18 | ± 0.21 | ± 0.25 |
| भित्री व्यास सहिष्णुता | ||||||||||
| भित्री व्यास | 1.800 ~ 6.0 | 6.70 ~ 11.20 | 11.8 ~ 21.2 | 22.4 ~ 40.0 | .2.2 ~ 40.0 | .52..5 ~ 1 .0 | 165 ~ 300 | 300 ~ 50500 | 60 6700 ~ 1010 | 910 ~ 1180 |
| उदारता | ± 0.13 | ± 0.16 | ± 0.1। | ± 0.95 | ± 0.866 | ± 0.7878 | ± 0.7474 | ± 0.67 | ± 0.600 | ± 0.65 |
| सम्बन्धित भित्री व्यास प्रतिशत %% | ||||||||||
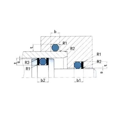
गराईभ आकार
![]() |
||||||||||
| विभाग D2 | गौरो गहिराइ टी | ग्रूड चौडाई एकाई: MM (+0.20) | व्यासार्ध R1 mm | |||||||
| mm | निर्मूल | गतिशील (हाइड्रोलिक) | गतिशील (ponummaticat) | b कुनै पनी रिंगेन छैन | b1 1 औंठी बर्खास्त गर्दै | b2 2 rings ringing | ||||
| 1.00 | 0.65 | ± 0.05 | 0.75 | ± 0.02 | 0.80 | ± 0.02 | 1.4 | 2.4 | 3.4 | 0.2-0.4 |
| 1.50 | 1.05 | 1.20 | 1.25 | 2.0 | 3.0 | 4.0 | 0.2-0.4 | |||
| 1.80 | 1.30 | 1.45 | 1.55 | 2.4 | 3.4 | 4.4 | 0.2-0.4 | |||
| 2.00 | 1.50 | 1.65 | 1.75 | 2.7 | 3.7 | 4.7 | 0.2-0.4 | |||
| 2.50 | 1.95 | 2.10 | 2.20 | 3.4 | 4.9 | 6.4 | 0.2-0.4 | |||
| 2.65 | 2.05 | 2.25 | 2.35 | 3.6 | 5.1 | 6.6 | 0.2-0.4 | |||
| 3.00 | 2.40 | 2.55 | 2.70 | 4.2 | 5.7 | 7.2 | 0.2-0.4 | |||
| 3.50 | 2.80 | ± 0.07 | 3.05 | ± 0.05 | 3.20 | ± 0.05 | 4.8 | 5.3 | 7.8 | 0.3-0.6 |
| 3.55 | 2.85 | 3.10 | 3.25 | 4.8 | 6.3 | 7.8 | 0.3-0.6 | |||
| 4.00 | 3.25 | 3.50 | 3.65 | 5.4 | 6.9 | 8.4 | 0.3-0.6 | |||
| 5.00 | 4.15 | ± 0.10 | 4.45 | 4.65 | 6.8 | 8.8 | 10.8 | 0.3-0.6 | ||
| 5.30 | 4.40 | 4.70 | 4.90 | 7.2 | 9.3 | 11.2 | 0.6.0 | |||
| 7.00 | 5.85 | 6.25 | 6.55 | 9.6 | 12.1 | 14.6 | 0.6.0 | |||
| 8.40 | 7.10 | 7.50 | 7.90 | 12.9 | 13.4 | 15.6 | 0.6.0 | |||











ठेगाना
No.1 Ruichehen सडक, डो ongliuting औद्योगिक पार्क, चेंग ang जिल्ला, Qingdao शहर, शान्डंग्रिंग प्रदेश, चीन
टेलिफोन