हामी "सुरक्षा-दबाव प्रतिरोध-दीर्घकालीन" ट्रिनिटी प्रतिरोध "ट्रिनिटी समाधान" परिदृश्य सिल गर्न आवश्यक पर्ने प्रत्येक परिदृश्यको त्रिएवर समाधान "प्रदान गर्न प्रतिवद्ध छ। 200+ भौतिक सूत्रहरू र संरचनात्मक पेटन्टहरू मार्फत, हामी ग्राहकहरूले विद्यमान दरहरू कम गर्न मद्दत गर्दछौं र toco अनुकूलन प्राप्त गर्न मद्दत गर्दछौं। उत्पादन मोडेलहरूको सम्पूर्ण श्रृंखला धेरै विविध छ। तपाईं वास्तविक आवश्यकताको आधारमा छनौट गर्न सक्नुहुनेछ, वा हामीबाट रोटरी कब्जाहरू अनुकूलित गर्न सक्नुहुन्छ।
RCR101 रोटरी कंकाल एकल लिपिन मोहर, अनायरिंग, अनानिंग ग्रेभ ग्रेभ ग्रेभ स्थापना, व्यापक प्रयोग गरीरहेको, प्राय: एक सुरक्षात्मक तत्वको रूपमा प्रयोग गरिन्छ।
RCR102 रोटरी कंकाल स्लिप मोच, एकल अभिनय, एकल अभिनय, एकल अभिनयको साथ, व्यापक प्रयोग गरीरहेको, प्राय: एक सुरक्षात्मक तत्वको रूपमा प्रयोग गरीन्छ, प्राय: एक सुरक्षात्मक तत्वको रूपमा प्रयोग गरिन्छ, प्राय: लिंगहरूको लागि एक सुरक्षात्मक तत्वको रूपमा प्रयोग गरिन्छ।
RCR103 रोटरी मोहर, डबल अभिनय, समर्थन औंठीको साथ, उच्च दबाव रोटरी मुहर सर्तहरूको अधीनमा रहेको राम्रो छाप प्रभाव।
RCR104, RCR105 रोटरी मोहर, डबल अभिनय, साँघुरो ग्रूभ, स्थिर ग्रुव इम्बेडिंग, र मोहत मुकुट गरिएको मुहर मोहर
RCR106, RCR107 v-आकारको रोटरी मोहर, अक्षीय आन्दोलन, फ्रिक्शन प्रतिरोध, धुलो, तेल स्प्लेश, EEC।
RCR108 रोटरी मुहर, एकल अभिनय, कुनै वसन्त, भित्री र बाहिरी ओठको हस्तक्षेप विभिन्न कार्य सर्तहरूको अनुसार निर्धारण गरिन्छ।
Rcr109 o-ring, लोचदार औंठी प्राय: स्थिर रे RECTING वा गतिशील स्लीनिंग, लचिलो तापमान माध्यमिक चयन को लागी प्रयोग गरीन्छ। विस्तृत ग्रूवहरूको लागि, कृपया O-ing स्क्लरीमा सन्दर्भ गर्नुहोस्।
RCR10 रोटरी टेट्राफलटोथीले शाफ्ट, डबल अभिनयको लागि मोहर, साँघुरो ग्रूभहरूको लागि उपयुक्त।
RCR111 रोटरी Tetrafloreoroooothienceience, प्वालको लागि प्वाल, डबल अभिनय, साँघुरो ग्रूभका लागि उपयुक्त।
RCR112 रोटरी मोहर, डबल अभिनय, साँघुरो ग्रूभ, लुब्रिक्टिड कार्यसूरीहरूको लागि उपयुक्त।
RCR13 रोटरी सील, डबल अभिनय, समर्थन औंठी, ठूलो एक्स्ट्रोसन खाली र दबावको साथ, प्राय: उत्खनन उपकरणको घुमाउने शाफ्टको साथ प्रयोग गर्दै।
RCR115 रोटरी टेट्राफलटोथी शाफ्ट, डबल अभिव्यक्ति, कम्मरको उच्च दबाव, एन्टि-उच्च तापमान विकृति, एन्टि-उच्च तापमान विरोधाभासीको लागि।
RCR16 रोटरी Tetrafloroooothienthienceolnel, प्वाल, डबल अभिनय, कम तापमा दबाव, एन्टी-उच्च तापमान संभावना को लागी।
RCR117, RCR121 रोटरी सिल, घुमाउरो वसन्त, एकल अभिनय, उच्च गतिशील, उच्च गतिशीलता प्रतिरोध, अपेक्षाकृत उच्च गति र उच्च दबावको लागि उपयुक्त।
RCR118 अन्त PTFFE रोटरी मोहर, सर्भर वसन्त, एकल अभिनय, उच्च तापमान को प्रतिरोधको साथ, प्राय: रासायनिक उद्योगमा प्रयोग गरिएको।
RCR19 RETIATHON एकल लिफ्ट मोहर, अनानिंग, अनानिंग ग्लेन ग्रूभ स्थापना, व्यापक प्रयोग गरीरहेको, प्राय: एक सुरक्षात्मक तत्वको रूपमा प्रयोग गरिन्छ।
RCR201, RCR202 रोटरी कंकान डबल ओपिट ग्लाइडियन ओपेन एलओभ स्थापना, व्यापक प्रयोग गरीरहेको, प्राय: एक सुरक्षात्मक तत्वको रूपमा प्रयोग गरिन्छ, प्राय: बोक्नेहरूको लागि एक सुरक्षात्मक तत्वको रूपमा प्रयोग गरिन्छ।
RCR203, RCR204 रोटरी कंकाल-नि: शुल्क लिपिल, एकल अभिनय, अक्षीय खुला ओपन ग्रेभहरू, कम्पाउलाडी र जहाज निर्माणको रूपमा प्रयोग गरियो।
RCR205 काटिएको-अफ-अफ-नि: शुल्क एकल लिपिन मुद्रा, एकल अभिनय, अक्षीय खुला ओपन ग्रुइड uslyly र जहाज निर्माण जस्तै।
RCR206, RCR207 कट-अफ-अफ-अफ-अफ रोटरी फ्रेमल सिल, अक्षीय खुला ओनेक्लिज ग्रूभहरू मेटाली र जहाज निर्माण जस्तै भारी उद्योगहरूमा प्रयोग गरियो। कम-गति सिंगिंगको लागि उपयुक्त, सील prip ्ग माध्यम लिथियम आधारित ग्रीस हो।
उत्पाद सुविधाहरू र अनुप्रयोगहरू:
मुख्य अनुप्रयोगहरू
रोटरी सिलहरू फर्किनु, घुमाउने शाफ्टको अन्त्यको सिलिएर सिटिंग, उत्खनन गर्नेहरू, उत्खनन गर्नेहरू, पाटरी जोड्ने, र यस प्रकारको छाप लगाउनुहोस् जुन प्राय: पेट्रोलियम र रासायनिक उद्योगहरूमा प्रयोग गरिन्छ
फाइदा
रोटरी सेल्सको एक विस्तृत श्रृंखला को एक विस्तृत श्रृंखला, राम्रो मुसाली प्रतिरोध, उच्च क्रस विरोधीय आकार, हाइड्रलिक तेल प्रतिरोध, हाइड्रलिक तेल प्रतिरोध, र कुनै स्टिक-स्लिफाल फेनेमन।

Rcr101
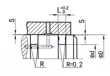
आदेश आकार
Φ ...... बाहिरी व्यास
...... भित्री व्यास
L ...... ग्रुव चौडाई
|
सतह समाप्त |
R tmax (μm) |
RA (μm) |
|
स्लाइडिंग सतह मिल्दो रबर / plyyreabhethene सिलहरू स्लाइडिंग सतह मिल्दो PTFE छापहरू |
≤2.5
≤2 |
≤0.1-0.5
≤ 0.05-0.3 |
|
ग्रूभ तन ग्रूमा |
≤≤ ..3 ≤≤5 |
≤1.6 ≤≤ |
|
TP प्रोफाइल समर्थन लम्बाई अनुपात |
% 0% -95 %%% |
|
|
उदारता |
|
|
--D |
ए F8 |
|
--D |
एच गुड |
अर्डरिंग उदाहरण
मोडेल: RCR101
गराईभ आकार: 100x1115x8x8
सामग्री: NBR / POM

मोहरली प्रकार: RCR101, RCR102
मुख्य अनुप्रयोग: घुमाउरो शाफ्टको अन्त्यको सिलि of को लागि उपयुक्त
फाइदाहरू: मिडियाको एक विस्तृत श्रृंखला, फराकिलो तापक्रम दायरा, र राम्रो मुसालाइ असर प्रभाव
सामग्री: Polyureavene, रबर / Plyoloxymeyletience
|
सील ग्रूभ उदाहरणहरू |
निम्नलिखित मानक ग्रुव आयामहरू हुन् (आकार दायरा भित्र कुनै आकारको रोटरी सिलहरू उत्पादन गर्न सकिन्छ) |
|||||
|
|
|
--D |
--D |
L |
c / s |
|
|
-5- .9 ..9 |
Φ + 12 |
7 |
6 |
|||
|
-11 -13999.9 |
Φ + + 1 |
8 |
7.5 |
|||
|
1 1400-2999 ..9 |
Φ + 20 |
10 |
10 |
|||
|
300-49999.9 |
Φ + 30 |
12 |
15 |
|||
|
500-800 |
Φ + 40 |
20 |
20 |
|||
|
> 800 |
Φ + 50 |
22 |
25 |
|||

Rcr115
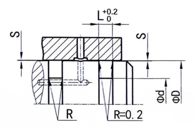
आदेश आकार
Φ ...... बाहिरी व्यास
...... भित्री व्यास
L ...... ग्रुव चौडाई
|
सतह समाप्त |
R tmax (μm) |
RA (μm) |
|
स्लाइडिंग सतह मिल्दो रबर / plyyreabhethene सिलहरू स्लाइडिंग सतह मिल्दो PTFE छापहरू |
≤2.5
≤2 |
≤0.1-0.5
≤ 0.05-0.3 |
|
ग्रूभ तन ग्रूमा |
≤≤ ..3 ≤≤5 |
≤1.6 ≤≤ |
|
TP प्रोफाइल समर्थन लम्बाई अनुपात |
% 0% -95 %%% |
|
|
उदारता |
|
|
--D |
ए F8 |
|
--D |
एच गुड |
अर्डरिंग उदाहरण
मोडेल: RCR115
गराईभ आकार: 100x111111X4.2
सामग्री: PTFE4 + NBR

मोहर प्रकार: RCR115
मुख्य अनुप्रयोग: रोटरी शाफ्ट सिलहरू, उत्खनकहरू, सम्पकाहरू, स्विकार जोड्नका लागि उपयुक्त।
फाइदाहरू: यसले उच्च दबाबको प्रतिरोध गर्न सक्छ, सानो क्रस-अनुभागीय आकार, हड्ताल तेलको लागि प्रतिरोधी छ, तर कुनै स्टिक-स्लिस्ट फेनेओमोनोन कम छ।
सामग्री: Tetrafloorolunlulenneenne + नाइट्रिल रबर वा फ्लुरोॉब्बर
|
सील ग्रूभ उदाहरणहरू |
निम्नलिखित मानक ग्रुव आयामहरू हुन् (आकार दायरा भित्र कुनै आकारको रोटरी सिलहरू उत्पादन गर्न सकिन्छ) |
||||||||
|
|
|
--D |
--D |
L |
R |
X |
अधिकतम एक्स्ट्रॉजेसन अन्तर s |
||
|
100 चालको 100 |
200 |
||||||||
|
-18-18.9 |
Φ + 9.9 |
2.2 |
0.4 |
1.78 |
0.15 |
0.10 |
|||
|
19337 .. |
Φ + .5 .5 |
3.2 |
0.6 |
2.62 |
0.20 |
0.15 |
|||
|
-1 38-1999.9 |
Φ + 11 |
4.2 |
1.0 |
3.53 |
0.25 |
0.20 |
|||
|
200-25555 .. |
Φ + 1..5 |
6.3 |
1.3 |
5.33 |
0.30 |
0.25 |
|||
|
266-6499.9 .. |
+ 21 |
8.1 |
1.8 |
7.00 |
0.30 |
0.25 |
|||
|
> 650 |
Φ 2 28 |
9.5 |
2.5 |
8.40 |
0.45 |
0.30 |
|||

Rcr116
आदेश आकार
Φ ...... बाहिरी व्यास
...... भित्री व्यास
L ...... ग्रुव चौडाई
|
सतह समाप्त |
R tmax (μm) |
RA (μm) |
|
स्लाइडिंग सतह मिल्दो रबर / plyyreabhethene सिलहरू स्लाइडिंग सतह मिल्दो PTFE छापहरू |
≤2.5
≤2 |
≤0.1-0.5
≤ 0.05-0.3 |
|
ग्रूभ तन ग्रूमा |
≤≤ ..3 ≤≤5 |
≤1.6 ≤≤ |
|
TP प्रोफाइल समर्थन लम्बाई अनुपात |
% 0% -95 %%% |
|
|
उदारता |
|
|
--D |
ए F8 |
|
--D |
एच गुड |
अर्डरिंग उदाहरण
मोडेल: RCR116
गराईभ आकार: 100x89x4.2
सामग्री: PTFE4 + NBR

मोहर प्रकार: RCR16
मुख्य अनुप्रयोग: रोटरी शाफ्ट अन्त्य सिलहरू, उत्खनक, शूबल्स, रोटरी जोड्ने, रोटरी वितरकहरूको लागि उपयुक्त।
फाइदाहरू: यो मिडिया र तापमानको विस्तृत श्रृंखलाको लागि उपयुक्त छ, राम्रो मुसाको प्रभाव, सानो क्रस-अनुभागीय आकार, कडा प्रतिरोध, र कुनै स्टिक-स्ट्रिकन फेनेमनेन।
सामग्री: Tetrafloorolunlulenneenne + नाइट्रिल रबर वा फ्लुरोॉब्बर
|
सील ग्रूभ उदाहरणहरू |
निम्नलिखित मानक ग्रुव आयामहरू हुन् (आकार दायरा भित्र कुनै आकारको रोटरी सिलहरू उत्पादन गर्न सकिन्छ) |
||||||||
|
|
|
--D |
--D |
L |
R |
O- औंठी |
अधिकतम एक्स्ट्रॉजेसन अन्तर s |
||
|
100 चालको 100 |
200 |
||||||||
|
-3- .9 ..9 |
Φ 6.9 |
2.2 |
0.4 |
1.78 |
0.15 |
0.10 |
|||
|
-0-7979.9 |
Φ 6..5 |
3.2 |
0.6 |
2.62 |
0.20 |
0.15 |
|||
|
-01322.9 |
--D-11.0 |
4.2 |
1.0 |
3.53 |
0.25 |
0.20 |
|||
|
1333--329.9 |
- 4..5 |
6.3 |
1.3 |
5.33 |
0.30 |
0.25 |
|||
|
330-6699.9 |
- 21.0 |
8.1 |
1.8 |
7.00 |
0.30 |
0.25 |
|||
|
> 670 |
--D -2.2.0 |
9.5 |
2.5 |
8.40 |
0.45 |
0.30 |
|||

Rcr117
आदेश आकार
Φ ...... बाहिरी व्यास
Φd1 ...... बाहिरी व्यास
...... भित्री व्यास
L ...... ग्रुव चौडाई
L1 ...... groove चौडाई
|
सतह समाप्त |
R tmax (μm) |
RA (μm) |
|
स्लाइडिंग सतह मिल्दो रबर / plyyreabhethene सिलहरू स्लाइडिंग सतह मिल्दो PTFE छापहरू |
≤2.5
≤2 |
≤0.1-0.5
≤ 0.05-0.3 |
|
ग्रूभ तन ग्रूमा |
≤≤ ..3 ≤≤5 |
≤1.6 ≤≤ |
|
TP प्रोफाइल समर्थन लम्बाई अनुपात |
% 0% -95 %%% |
|
|
उदारता |
|
|
--D |
ए F8 |
|
--D |
एच गुड |
अर्डरिंग उदाहरण
मोडेल: RCR117
गराईभ साइज: 100x117.5x11.5x7.14.11.8
सामग्री: PTFE4 + V

सील प्रकार: RCR117
मुख्य अनुप्रयोग: घुमाउने शाफ्टको सिल सिलिंगको लागि उपयुक्त, यस प्रकारको मोहर पेट्रोलियम र रासायनिक उद्योगहरूमा प्रयोग गरिन्छ
फाइदाहरू: कम घर्षण, कटौती प्रतिरोध, उच्च तापमान प्रतिरोध, उच्च गतिको लागि उपयुक्त
सामग्री: PTFE, स्टेनलेस स्टील वसन्त
|
सील ग्रूभ उदाहरणहरू |
निम्नलिखित मानक ग्रुव आयामहरू हुन् (आकार दायरा भित्र कुनै आकारको रोटरी सिलहरू उत्पादन गर्न सकिन्छ) |
|||||||||
|
|
|
--D |
--D |
एपीडी 1 |
L |
L1 |
अधिकतम एक्स्ट्रॉजेसन अन्तर s |
|||
|
20 हल्ला |
100 चालको 100 |
200 |
||||||||
|
-19-19 ..9 |
Φ + 9 |
Φ + 5 |
3.6 |
0.85 |
0.25 |
0.15 |
0.10 |
|||
|
20--39 ..9 |
Φ + 12.5 |
Φ + 7 |
4.8 |
1.35 |
0.35 |
0.20 |
0.15 |
|||
|
-30--399.9.9 |
Φ + 1 ..5 |
Φd + 10..5 |
7.1 |
1.8 |
0.50 |
0.25 |
0.20 |
|||
|
≥400 |
Φ + 22 |
Φ + 1 14 |
9.5 |
2.8 |
0.60 |
0.30 |
0.25 |
|||



















































ठेगाना
No.1 Ruichehen सडक, डो ongliuting औद्योगिक पार्क, चेंग ang जिल्ला, Qingdao शहर, शान्डंग्रिंग प्रदेश, चीन
टेलिफोन